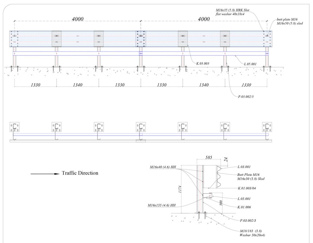
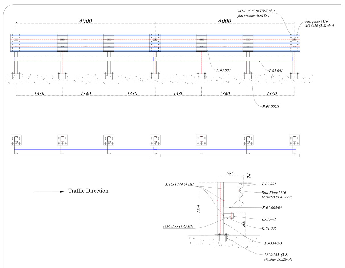
passco_BW-ES_2.00_3N (H2-W4-B)

  • Engelleme Seviyesi : H2

  • Çalışma Aralığı Sınıfı: W4 (1,2 m)

  • Şiddet İvme Endeksi (ASI): B

  • Çalışma Aralığı: VI2 (0,7 m)

  • Sistem Yüksekliği: 117 cm

  • Montaj Tipi : Köprü

  • Dikme Mesafesi: 1,33 m

Toplantı Talep Et

Alpaslan Yol İnşaat olarak, yol güvenlik sistemleri ve oto korkuluk sistemleri alanında ihtiyaçlarınızı en iyi şekilde karşılayabilmek için sizinle bir araya gelmeyi çok isteriz. Projeleriniz hakkında detaylı bilgi almak, size özel çözümler sunmak ve iş birliği imkanlarını değerlendirmek için bize toplantı talep edebilirsiniz.

Neden Alpaslan Yol İnşaat?